展开全部
收起全部
-
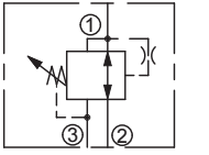
技术特性
在①口的压力达到弹簧设定的压力时,从②到①减压。弹簧腔内排到③口。
当①口的压力超过预设定的压力 10bar 以上时,②口渐渐关闭,①到③开始溢流。
-
技术曲线

-
技术参数
工作压力Ports ①&②:345bar
Port ③: 69bar流量请查看《压力-流量曲线图》插孔10-3过滤参考《油液清洁度》内泄漏from②to③(内泄漏②到③)82cc/min.max弹簧调压范围10.3-37.9 bar,preset预设定: 19bar
6.9-103.4 bar,preset预设定: 57bar
27.6-144.8 bar,preset预设定: 72bar
55.2-227.5 bar,preset预设定:114bar温度-40ºF to +250ºF(-40ºC to +120ºC)阀块材料钢和球铁允许使用最大压力350bar -
文件下载
PDF文件 -
相关辅件
阀块











