插装阀
-
液压原理图型号描述插孔流量压力
-
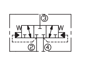
三位,三通,弹簧中位闭合, 螺纹插装式热油梭阀
10-4
45lpm
350bar
-
球型螺纹插装式梭阀
08-3
15lpm
350bar
-
气动操作,二通,常闭型,座阀式,方向控制阀
16-2
190lpm
210bar
-
二位,三通,液控,透大气型, 螺纹插装换向阀
10-4
38lpm
250bar
-
二位,二通,液控,常开,螺纹插装换向阀
10-3
38lpm
240bar
-
二位,二通,液控,内排,螺纹 插装方向阀
SUN T-2A
60lpm
350bar
-
机械操作,背靠背单向阀
SUN T-162DP
5lpm
350bar
-
机械操作,背靠背单向阀
SUN T-162DP
5lpm
350bar
-
液压原理图型号描述插孔流量压力








