关于
新闻
技术资料
联系我们
产品
产品
阀块
线圈
辅件
新闻
插装阀
阀块
线圈
辅件
插装阀
电磁阀
二位二通
二位三通
二位四通
三位四通
三位五通
比例阀
方向阀
直动式单向阀
液控单向阀
液控换向阀
二通手动换向阀
三通手动换向阀
四通手动换向阀
梭阀
热油梭阀
机械操作,背靠背单向阀
气控换向阀
液压锁
压力阀
溢流阀
减压阀
顺序阀
卸荷阀
流量阀
节流阀
流量控制阀
分流集流阀
其它
平衡阀
标准型
半限流型
全限流型
带外接口型
极限流型
逻辑元件
移动液压
功能阀组/手动泵
分流集流阀
双向压力阀组
双向/单向平衡阀组
双向液压锁
手动泵
阀块
标准阀块
定制加工
线圈
LC2-08-C(圆形)
LC2-08-S (方形)
LC-08-S(方形)
LC3-08-S (方形)
LC2-10(圆形/方形)
LC3-10-C(圆形)
LC6-08-S (方形)
辅件
插孔
刀具
插孔堵头
阻尼片
密封包
控制活塞
叠加阀
首页
阀块
联系我们
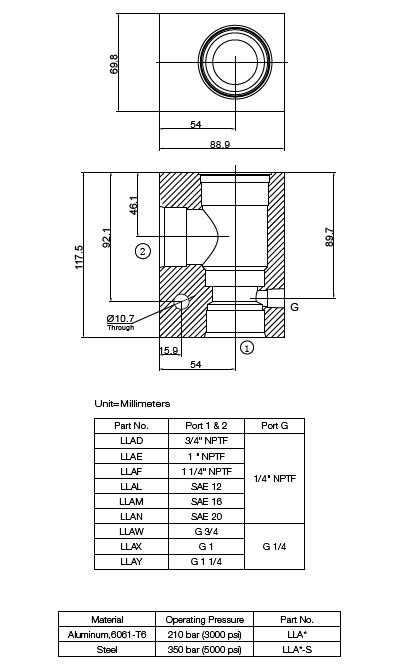
阀块-未知分类
SUN T-18A Housings With Gague Port
日期:2022年11月21日 09:26
联系我们